Suzuki Ltr 450 Wiring Diagram - Suzuki Ltr 450 06 Wiring Harness Diagram Box Trailer Wiring Harness 1990 300zx Yenpancane Jeanjaures37 Fr : F electrical wiring diagram (system circuits).. Suzuki ltr 450 quadracer 2010 limited edition. All kits are custom printed to order and take 5 to 7 business days to produce. Swift wiring diagram of engine management system wiring diagram. More than 40 designs to choose from. Ignition keys, suzuki r450, suzuki ltr450 parts.

Netter ausflug auf die supermoto strecke. Suzuki gsx450 gs450 gsx gs 450 electrical wiring harness diagram schematics here. I own the 07 ltr450 and i tell you what i wish i had bought this 450 over the 04 yfz450 that i bought cuz the suzuki is a all around better bike than any other 450 read full review. Bei suzuki läuft das ltr 450 auch unter quadracer 450 und dies nicht zu unrecht. Very easy to slip and nick the insulation!

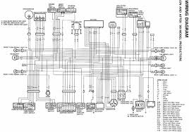
07 Suzuki Ltr 450 Service Manual Qmvr Maadveezz Site
07 Suzuki Ltr 450 Service Manual Qmvr Maadveezz Site from i0.wp.com
We offer image suzuki ltr 450 wiring diagram is comparable, because our website concentrate on this category, users can get around easily the collection of images suzuki ltr 450 wiring diagram that are elected straight by the admin and with high res (hd) as well as facilitated to download images. Please tick the box below to get download link F electrical wiring diagram (system circuits). There are some fundamental differences with the roadster and fortwo 451 sam wiring configurations and therefore you should not use this if you would like a summarised wiring diagram, you can download and print off the following pdf. I own the 07 ltr450 and i tell you what i wish i had bought this 450 over the 04 yfz450 that i bought cuz the suzuki is a all around better bike than any other 450 read full review. Suzuki gsx450 gs450 gsx gs 450 electrical wiring harness diagram schematics here. Похожие запросы для suzuki ltr 450 service manual. Triple layer laminated 3m industrial adhesive.

All kits are custom printed to order and take 5 to 7 business days to produce.

Ignition keys, suzuki r450, suzuki ltr450 parts. 8 step 7  grab that little sucker on the grey movable plastic with a long nose pliers and squeeze. Suzuki grand vitara, swift wiring diagrams. Yamaha, suzuki, etc.), the model (cbr, xtz, dr. Похожие запросы для suzuki ltr 450 service manual. Swift wiring diagram of engine management system wiring diagram. Find great deals on ebay for suzuki ltr 450 wire harness. Triple layer laminated 3m industrial adhesive. Suzuki ltr 450 graphics by creatorx graphics. F electrical wiring diagram (system circuits). I own the 07 ltr450 and i tell you what i wish i had bought this 450 over the 04 yfz450 that i bought cuz the suzuki is a all around better bike than any other 450 read full review. Motorcycle accessories suzuki ltr450 installation instructions. Ltr 450r suzuki quad racer* 2007 ltr 450r 2007 main wire harness.

All kits are custom printed to order and take 5 to 7 business days to produce. 8 step 7  grab that little sucker on the grey movable plastic with a long nose pliers and squeeze. Fuel injection management system (2 pages). Ignition keys, suzuki r450, suzuki ltr450 parts. Suzuki gsx450 gs450 gsx gs 450 electrical wiring harness diagram schematics here.

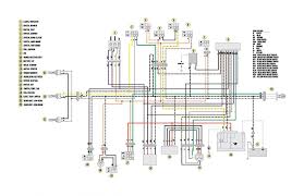
Diagram 07 Ltr 450 Solenoid Wiring Diagram Full Version Hd Quality Wiring Diagram Heatconductiondiagram Potrosuaemfc Mx
Diagram 07 Ltr 450 Solenoid Wiring Diagram Full Version Hd Quality Wiring Diagram Heatconductiondiagram Potrosuaemfc Mx from www.ltr450hq.com
Fuel injection management system (2 pages). Suzuki service schematic 1989 suzuki gsxr1100 speedometer cable routing. Suzuki ltr 450 quadracer 2010 limited edition. 1996 suzuki bandit gsf1200 service manual. Put on my suzuki ltr 450 looks same as oem and has all working functions including light switch. F electrical wiring diagram (system circuits). We offer image suzuki ltr 450 wiring diagram is comparable, because our website concentrate on this category, users can get around easily the collection of images suzuki ltr 450 wiring diagram that are elected straight by the admin and with high res (hd) as well as facilitated to download images. Suzuki ltr 450 superquader edition by atv xduke motorsport.

Suzuki service schematic 1989 suzuki gsxr1100 speedometer cable routing.

Etc.) and the cubic capacity (500, 600, 750, etc.) must be separated by space (correct: Triple layer laminated 3m industrial adhesive. Very easy to slip and nick the insulation! Suzuki ltr 450 graphics by creatorx graphics. Fuel injection management system (2 pages). Contact suzuki ltr 450 on messenger. Yamaha, suzuki, etc.), the model (cbr, xtz, dr. Circuit and wiring diagram download: Please tick the box below to get download link Repair manual for suzuki ltr 450. Suzuki motorcycle manuals & wiring diagrams pdf. Please note that this guide is only applicable for fortwos (450). I own the 07 ltr450 and i tell you what i wish i had bought this 450 over the 04 yfz450 that i bought cuz the suzuki is a all around better bike than any other 450 read full review.

54 out of 100 based on 364 user ratings the suzuki atv ltr450 wiring diagram can be download for free. Suzuki motorcycle manuals & wiring diagrams pdf. Repair manual for suzuki ltr 450. Wiring diagrams suzuki by model. We offer image suzuki ltr 450 wiring diagram is comparable, because our website concentrate on this category, users can get around easily the collection of images suzuki ltr 450 wiring diagram that are elected straight by the admin and with high res (hd) as well as facilitated to download images.

Suzuki Ltr450 Wiring Diagram Wiring Diagram All Step Value Step Value Huevoprint It
Suzuki Ltr450 Wiring Diagram Wiring Diagram All Step Value Step Value Huevoprint It from static-cdn.imageservice.cloud
Please tick the box below to get download link Motorcycle accessories suzuki ltr450 installation instructions. See and discover other items: Repair manual for suzuki ltr 450. Suzuki ltr 450 quadracer 2010 limited edition. In amerika gibt es eine sehr aktive quad racing szene und dort wird mit diesen quads gefahren und auch gewonnen. Very easy to slip and nick the insulation! There are some fundamental differences with the roadster and fortwo 451 sam wiring configurations and therefore you should not use this if you would like a summarised wiring diagram, you can download and print off the following pdf.

Bei suzuki läuft das ltr 450 auch unter quadracer 450 und dies nicht zu unrecht.

Suzuki service schematic 1989 suzuki gsxr1100 speedometer cable routing. We offer image suzuki ltr 450 wiring diagram is comparable, because our website concentrate on this category, users can get around easily the collection of images suzuki ltr 450 wiring diagram that are elected straight by the admin and with high res (hd) as well as facilitated to download images. Suzuki ltr 450 superquader edition by atv xduke motorsport. Please note that this guide is only applicable for fortwos (450). Put on my suzuki ltr 450 looks same as oem and has all working functions including light switch. There are some fundamental differences with the roadster and fortwo 451 sam wiring configurations and therefore you should not use this if you would like a summarised wiring diagram, you can download and print off the following pdf. Yamaha, suzuki, etc.), the model (cbr, xtz, dr. Suzuki ltr 450 graphics kit. Please report any inaccurate content or broken links here. Motorcycle accessories suzuki ltr450 installation instructions. Pull apart once full depressed (the pliers, not you) keeping the connection straight until completely off nb: F electrical wiring diagram (system circuits). Suzuki gsx450 gs450 gsx gs 450 electrical wiring harness diagram schematics here.

By